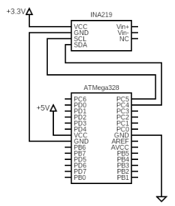
Ich brauchte einen Stromversorgungsprofiler für meine batteriebebasierten Projekte, aber sie sind zu teuer. Also habe ich einen mit einem ATMEGA328P (mit AVR-C) und einem ina219-Strom-/Spannungssensor entworfen. Ich machte meinen eigenen Treiber für den Sensor, um seine Architektur besser zu verstehen, und ein kleines Python -Programm zur Konfiguration (Auflösung, Integrationszeit, Dämpfung usw.).
Verbinden Sie mit dem folgenden Schaltplan:

python3 /python_plot/plot.py
Verwenden Sie es, ist selbsterklärend.
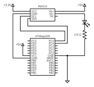
Schließen Sie eine grüne LED mit einem 170OHM -Widerstand an VCC (5 V) an und erhalten Sie den Strom:
Schema:

Ergebnis:

Verwenden Sie eine variable Labor-Stromquelle, um den Strom von 2 V auf 6 V mit demselben LED-Resistor-Schema aus dem letzten Beispiel zu ändern

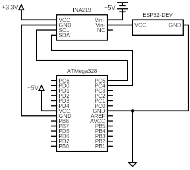
Der Strom, der von einem ESP32-SOC konsumiert wird, wird unter Verwendung eines Wroom32-Dev-Entwicklungsausschusses gemessen. Dies wird durch die einstellbare Versorgung mit 5 V an den Reglereingang der Karte angetrieben. Obwohl der Regler den vom ESP32 erforderlichen 3v3 liefert, wird der Strom, der zwischen der Quelle und der Baugruppe zirkuliert, gemessen und daher wird eine Spannung von 5 V beobachtet.
Schema:

Ergebnisse:

Referenz:
Die Labor -Stromquellen -Currnt -Grenze wurde auf 70 mA konfiguriert, nicht genug für eine erfolgreiche WLAN -Verbindung. Wir sehen einen plötzlichen Abfall der Spannung, wenn der Strom an diese Grenze kommt. Wir können den charakteristischen Stromverbrauch der im vorherigen Beispiel gezeigten erfolgreichen Verbindung nicht sehen, und zeigt, dass das Gerät keine Verbindung herstellen kann.
