Gleichrichter-mit -aufsetzer-Filter
Design eines Brückengleichrichters mit Kondensatorfilter für Wechselstrom -zu -DC -Umwandlung
Aufgaben:
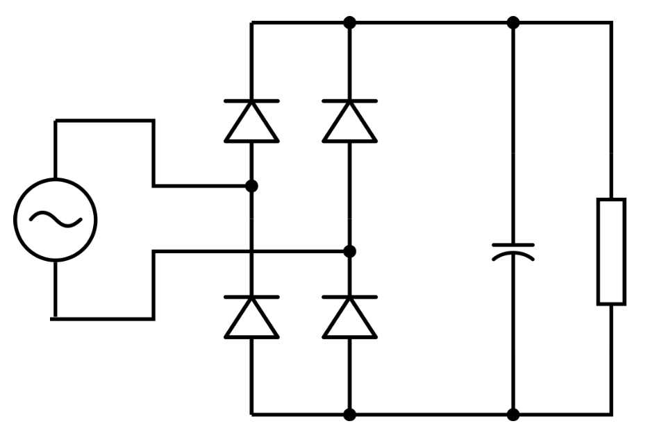
Entwerfen der unten angegebenen Schaltung:
- Simulieren Sie die Schaltung mit Idealitäten und Nicht-Ideen.
- Messen Sie den Leistungsfaktor und vergleichen Sie die Leistungsfaktoren für beide Fälle.

Spezifikationen:
- Durchschnittliche Ausgangsleistung = 100W
- Eingangsspannung = 20V RMS @50Hz
Arbeiten am Design
Komponentenwerte aus Matlab/Oktave:
Die Werte der Komponenten werden gemäß der Spezifikation aus der Simulation des Programms berechnet. Klicken Sie hier
Simulation der Schaltung:
Die Schaltung kann mit Gewürz simuliert werden. Hier habe ich Geda zum Erstellen der Cirucuit -Netzliste verwendet und sie dann mit dem von mir entworfenen Stimulus simuliert. Ich habe auch das Modell der Diode verwendet, das in der NetList -Datei enthalten ist.
- GEDA Schema (.Sch) Klicken Sie hier
- Gewürznetzliste der Schaltung (.NET) Klicken Sie hier
- Simulationsanalyse (.cir) Klicken Sie hier
- Diodenmodell (.mod) Klicken Sie hier
Endgültige Design- und Simulationsergebnisse
Spezifikationen für den Gleichrichter
- Ausgangsleistung, W = 10.00
- Eingangsspannung, Volt = 20,00
- Eingangsspannungstoleranz, Prozent = 20,00
- Peak -to Peak -Ausgangswellung, Prozent = 10,00
- Versorgungsfrequenz, Hz = 50,00
Kondensatorauswahl
- Kondensatorwert, UF = 390,56
- Spannung sollte>, v = 28,94 sein
- RMS -Wert des Stroms, a = 0,98
Diodenauswahl
- Piv, v = 33,94
- Avg. Strom, a = 0,35
- RMS -Wert des Stroms, a = 0,89
Schaltpläne ohne Idealitäten:

Eingangs- und Ausgangswellenform:

Eingangsstrom WRT -Spannungswellenform:

Schaltplan mit Nicht-Ideen:
Nicht-Ideen betrachtet sind wie folgt:
- ESR (effektiver Serienwiderstand) des Kondensators wird berücksichtigt.
- Der induktive Effekt der Last wird berücksichtigt. (Sag 10mh)

Eingangsstrom und Spannungswellenform:

Leistungsfaktorberechnungen:
Wo,
- V M : Spitzenspannung
- I M : Spitzenstrom
- V: Instantane Spannung
- I: Instantane Strom
Die Referenzleistung ist die Leistung, die über eine reine Widerstandslast mit dem Wert von Spannung und Strom maximal V M und I M geleitet wird.
Leistungsfaktor ohne Nicht-Idealitäten:
Gemäß den Daten,
- V m = 20 V
- I m = 5,2 a
- V rms = 16 V
- I rms = 0,64 a
- Real Power = 10 Watt (Designbasis)
- Referenzleistung = 52 w
- Leistungsfaktor = 0,192 (führend)
Leistungsfaktor mit Nicht-Ideen:
Gemäß den Daten,
- V m = 20 V
- I m = 4,8 a
- V rms = 15,5 V
- I rms = 0,645 a
- Real Power = 10 Watt (Designbasis)
- Referenzleistung = 48 w
- Leistungsfaktor = 0,208 (führend)