Índice
Este documento deve descrever as justificativas usadas para projetar e criar amplificador de energia de áudio usando o circuito integrado TDA7293.
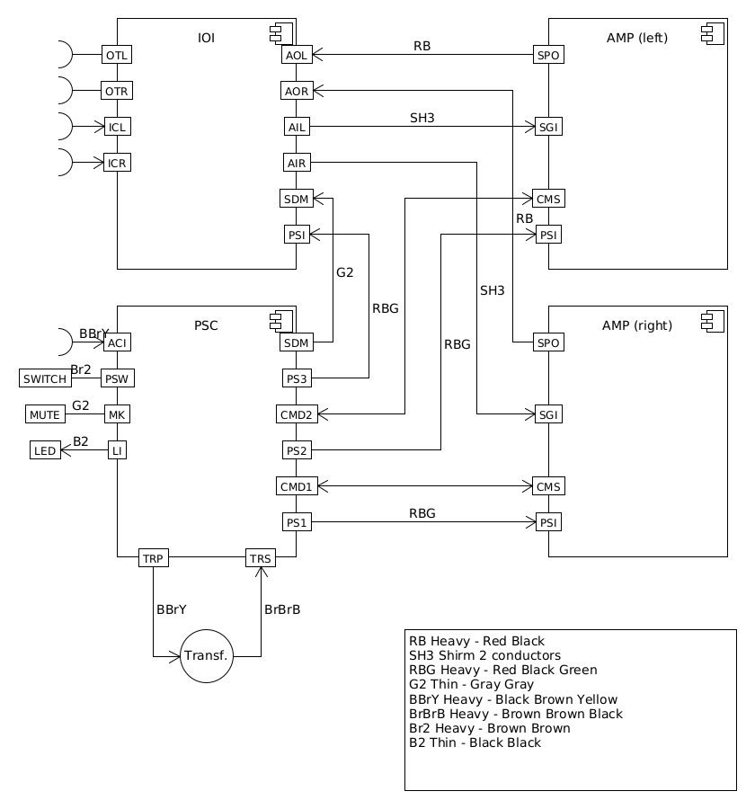
A arquitetura do amplificador consiste nas seguintes seções:

Cada uma dessas seções é implementada como uma placa separada.
A placa apresenta os seguintes conexões:
- Entrada de alimentação - PSI: VCC, GND, VEE
- Saída do alto -falante - Spo: Out, GND
- Entrada de sinal - SGI: in, SGND
- Controle e escravo mudo - CMS: senso de poder, mudo, clipe, GND






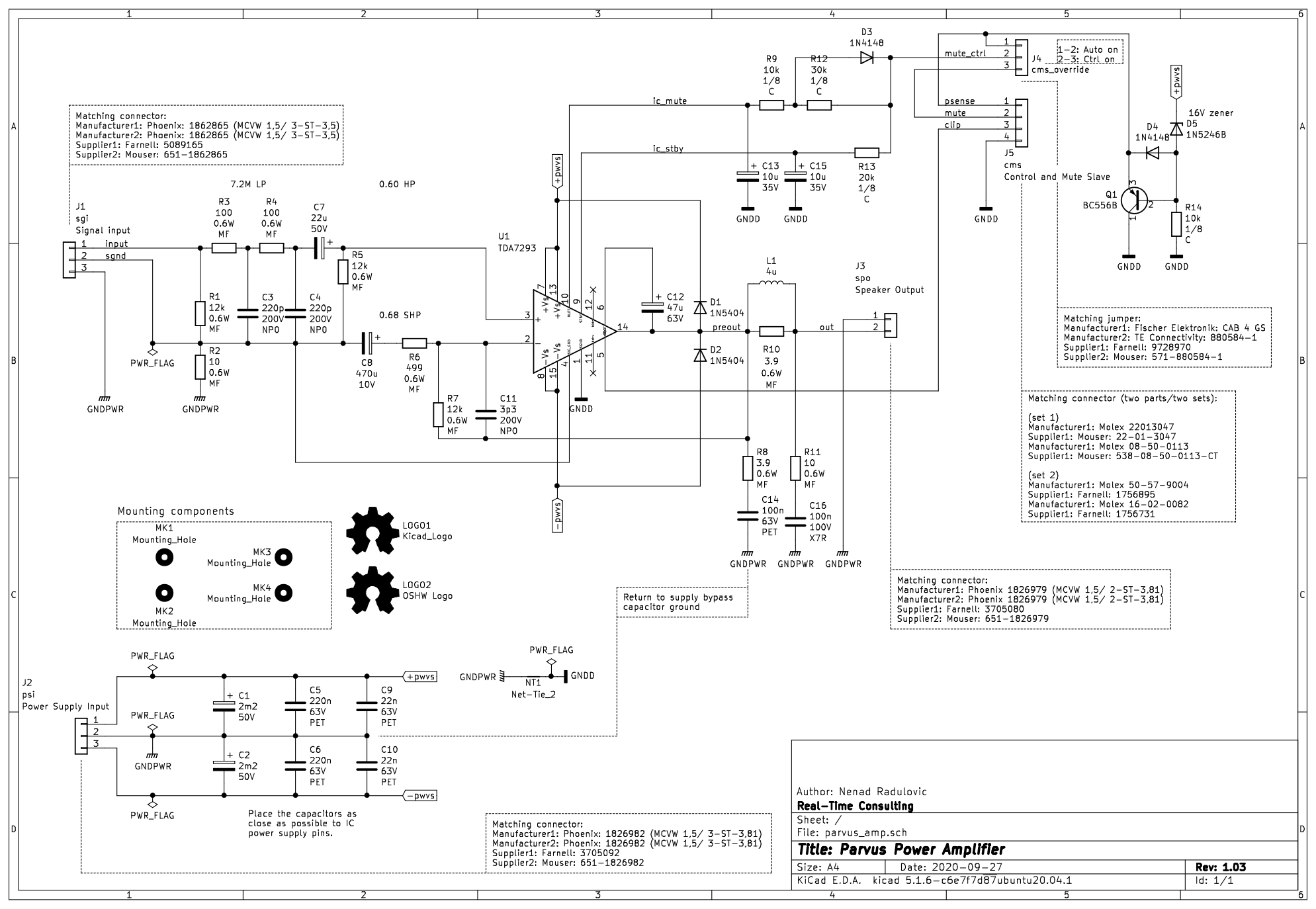
Para filtro de entrada, escolhemos a frequência entre 300kHz e 400kHz:
+ ---+ rlp1+ ---+ rlp2
0 ---++----+----++---+--- o em direção ao bloco IC do amplificador
+ ---+ | + ---+ |
----- Clp1 ----- Clp2
------ -----
| |
=== Ground === Ground
Usando a calculadora de filtro passa-baixa de 2ª ordem CR em URL: http://sim.okawa-denshi.jp/en/crcrtool.php , chegamos a:
Rlp1 = 100 ohm, rlp2 = 100 ohm
Clp1 = 220pf, clp2 = 2.2nf
FP1 = 352KHz
FP2 = 14MHz
Para mais detalhes, consulte: http://www.johnhearfield.com/rc/rc4.htm
Um resistor do disjuntor do solo está localizado entre os terrenos de SGND e GNDPWR. O valor desse resistor deve ser de cerca de 10 ohms.
Usando topologia invertida, pois queremos reduzir a distorção do modo comum no estágio de entrada. Mas, no caso de TDA7293 IC, não é fácil usar a topologia invertida, pois o circuito mudo é implementado na entrada positiva do OPAMP.
A resistência ao circuito de ganho equivalente precisa ficar abaixo de 600OHMs. Isso ocorre porque todas as medições de ruído na folha de dados foram feitas com 600OHMS ou 0OHMS.
O ganho nominal de um amplificador não inversor é:
G = rf/rg+1
Como temos um divisor de tensão com os mesmos resistores na frente do amplificador, o ganho total se torna:
G = rf/rg
O ganho mínimo especificado na folha de dados TDA7293 é de 26dB ou 20 vezes. Só para ficar do lado seguro, escolhemos 10% maior valor: 22
A folha de dados TDA7293 não fornece dados relevantes suficientes para modelar o IC no domínio CA. Como não podemos modelá -lo, não há otimizações disponíveis para o circuito de feedback negativo. Mas podemos assumir com segurança que existem pólos de alta frequência presentes na função de transferência TDA7293. Por esse motivo, adicionaremos alguns pF ao capacitor de compensação de chumbo calculado abaixo (consulte Cadd ).
Rede de feedback equivalente com circuito de compensação de chumbo:
o Vout
|
*------+
| |
+-+ rf |
| | ----- cf = cl (+csi, consulte compensação de capacitância do pino de entrada)
| | -----
+-+ |
Vf | |
o ------*------+
|
+-+ rg
| |
| |
+-+
|
o entrada
Resistores RF e RG fazem parte da rede de feedback. Capacitor CF é o capacitor de compensação. A função de transferência desta rede é dada como:
VF (s) = i (s)*rg
Vout (s) = i (s)*(rf || cl+rg) = i (s)*(rf/(1+s*rf*cl)+rg)
H (s) = vf (s)/vout (s) = (rg/(rf+rg))*((1+s*rf*cl)/(1+s*re*cl))
Zero:
wz = 1/(rf*cl)
Pólo:
wp = 1/(re*cl)
Onde:
Re = rf || rg = rf*rg/(rf+rg)
A estimativa aproximada é colocar 1-3pf adicional em paralelo ao Rf .
CADD = 3PF
Os pinos de entrada têm as seguintes capacitâncias parasitárias associadas:
A folha de dados TDA7293 não especifica nenhum parâmetro sobre capacitâncias de entrada parasita. O Feedback de tensão Opamps geralmente possui impedâncias de entrada diferencial e comum especificadas. Na ausência de qualquer informação, é seguro usar o modelo fornecido na próxima figura:
+ ----+ ZDIFF
+entrada o ---+--- | | ---+--- O -Input
| + ----+ |
| |
+-+ zcm1+-+ zcm2
| | | |
| | | |
+-++-+
| |
=== ===
Podemos usar uma estimativa aproximada de valores com base na experiência no uso de outros fetos de áudio, e os valores típicos estão em torno Cdiff=5pF , Cm=4pF e Cstray=3pF . Todos os três capacitores equivalentes estão ligados em paralelo, de modo que a capacitância total de entrada se torna:
Cinput = CDIFF+cm+cStray = 5pf+4pf+3pf = 12pf
Para mitigar essa capacitância, podemos adicionar CSI de capacitância paralela ao resistor de RF. Para compensar isso, a seguinte equação é aplicada:
Rf*cf = rg*Cinput
CSI = CINPUT*RG/RF = 0,5PF
O valor final Cf é:
Cf = Cl+csi+cadd = 0+2+0,5 = 2,5pf
Qualquer capacitor baseado em NP0 em torno de 3pF será bom para esse fim.
Para proteger a contribuição do EMI, usaremos a seguinte rede Zobel:
o entrada positiva ou entrada negativa | | ----- czi ----- | | +-+ rzi | | | | +-+ | === Ground
Para a maioria dos cabos de entrada, a impedância característica cai no intervalo entre 50 e 100ohm de impedância e estamos usando o 75OHM como valor médio. O resistor rzi é Rzi=75ohm e o capacitor czi é Czi=220pF . Essa rede deve ser colocada diretamente no conector de entrada, não no PCB do amplificador principal.
Além disso, um capacitor de 100N X7R deve ser colocado entre SGND e chassi no conector de entrada. Este capacitor desviará o rádio e outro sinal de interfirência no potencial do chassi.
A rede de saída consiste em rede Zobel a montante e a jusante e da bobina de saída ( Ld ) com resistor paralelo e de amortecimento ( Rd ). A rede Zobel Upstream fornece uma carga de baixa indutância para o estágio de saída em frequências muito altas e permite que as correntes de alta frequência circulem local para o estágio de saída. A rede Zobel a jusante fornece uma boa terminação resistiva diretamente nos terminais do alto -falante em altas frequências, ajudando a reduzir as ressonâncias de entrada de RFI e úmido com ou reflexões dos cabos do alto -falante. O circuito de saída é o seguinte:
LD
xxx
+--- xx x ---+
| xxx |
| |
| + -------+ |
o ---+--- | | ---+--- o
VOUT + ------- + | Vspeaker
Rd |
----- cz2 = 100nf
-----
|
|
+-+ rz1 = 10 ohm
| |
| |
+-+
|
===
A bobina de saída Ld fornece isolamento de alta frequência da carga de saída do estágio de saída no TDA7293. O valor da indutância deve estar entre 2uh até 5uh. O resistor de derivação de saída deve estar entre 2 e 5 ohms. Consulte Douglas Self - Audio Power Amplifier Design Handbook, 3ª ed., Redes de saída, Capítulo 7 para efeito na função de transferência do amplificador de energia.
A seção de fonte de alimentação está usando um único banco de capacitores de 10MF.
Estamos usando suprimentos simétricos duplos desde os secundários duplos.
Os principais suprimentos de tensão são fornecidos diretamente dos capacitores do reservatório. Esse suprimento alimenta as seções de alta potência de alta corrente do TDA7293.
Antes de diodos retificadores, um circuito RC de amortecedor deve ser colocado para diminuir o impulso de comutação de diodo. Os valores recomendados são Rsn = 1 Ohm , Csn = 470nF :
o vsupply | | ----- CSN = 470NF ----- | | +-+ rsn = 1 ohm | | | | +-+ | === Ground
Esse amortecedor também pode ser colocado perto das linhas de fonte de alimentação do IC.
Capacitores de fonte de alimentação em quadros de amplificadores: