This shield is used to hold LoRa modules such as HopeRF RFM95 or Mictrochip RN2483 with WeMos ESP32 LoLin32-Lite boards it has the followong features:
Take care that WeMos has different Lolin32 boards, you need the Lite model. They Provide WeMos Lolin32, Lolin32 Pro or this one Lolin32 Lite
You can also check the shield for the Lolin32 (not Lite) classic version.
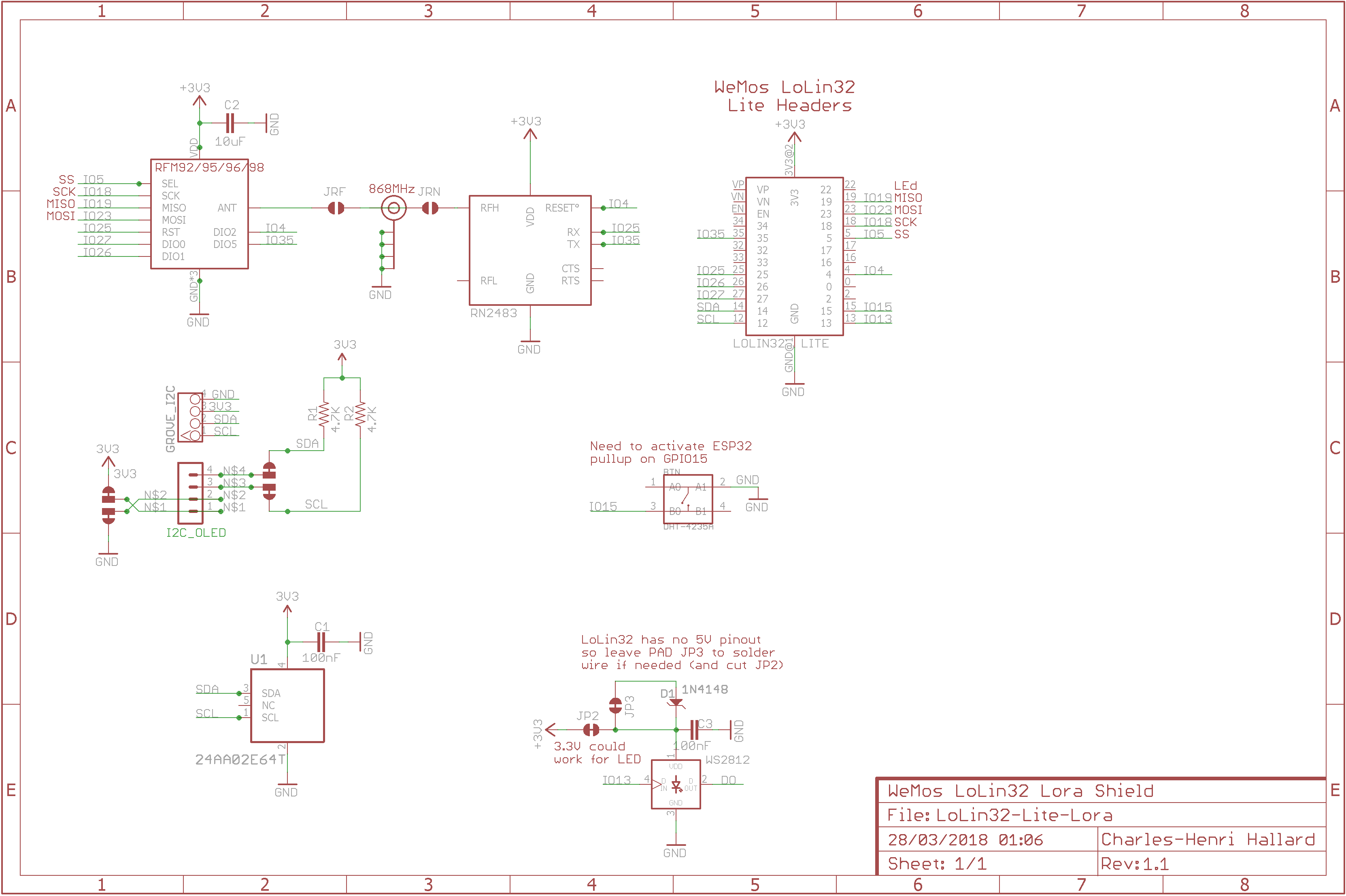
Look at the schematics for more informations.
SPI connexion is classic (MOSI/MISO/CLK),
Other pins that may need be adapted into code (for example if you use TTN network gateway code) according to the following pinout
Lolin32-Lite RFM9x Module
IO5 <-------> SEL
IO19 <-------> MISO
IO23 <-------> MOSI
IO18 <-------> CLK
IO27 <-------> DIO0
IO26 <-------> DIO1
IO4 <-------> DIO2
IO25 <-------> RST
IO35 <-------> DIO5
Lolin32-Lite RN2xx3 Module
IO4 <-------> RESET
IO25 <-------> RX
IO35 <-------> TX
Lolin32-Lite Shield Feature
IO12 <-------> I2C SCL
IO14 <-------> I2C SDA
IO13 <-------> WS2812 LEDS
IO15 <-------> Push Button
Lolin32-Lite Free I/O
IO0 -> Also used for Flash
IO2
IO16
IO17
IO22 -> On Board LoLin32-Lite LED
IO32
IO33
IO34
Do not forget to join (solder) the correct LoRa antenna trace depending on module you place (RFM95 or RN2483), see picture below.

And as classic advice, connect the LoRa antenna before powering the board to avoid any damage to LoRa module

There is no firmware available, but you can have a large demo of features and a full working LoRa node (with RFM95) with this excellent ESP32-Paxcounter software, it's a must see.

You can order the PCB of this board at PCBs.io. PCBs.io give me some reward when you order my designed boards from their site. This is pretty good, because I can use these rewards to create and design new boards and order them for free, so if you don't care about PCB manufacturer please use PCBs.io.
Not assembled yet but you can see approx what it looks like with the Lolin32 (not Lite) version.


This work is licensed under a Creative Commons Attribution-NonCommercial 4.0 International License
If you want to do commercial stuff with this project, please contact CH2i company so we can organize an simple agreement.
See news and other projects on my blog